Study of Diode Applications: Half Wave Rectifier, Full Wave Rectifier, and Clipper Circuits
Running this experiment? Please set the simulation type to Transient.
Aim
- Design half wave and full wave rectifiers using a diode with and without filter capacitor.
- Design a clipper circuit.
- Study the response of circuits (1) and (2) using LTspice software and hardware implementation.
Apparatus & Software
| Component | Quantity |
|---|---|
| Diode (IN4006) | 4 |
| Function Generator | 1 |
| DC Supply | 1 |
| Oscilloscope | 1 |
| Bread Board | 1 |
| Connecting Wires | - |
| 1 kΩ Resistor | 1 |
| 1 µF Capacitor | 1 |
Theory
Pre-Lab / Circuit Diagram

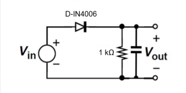
Fig 1: Half wave rectifier without filter (D-IN4006, RL = 1 kΩ).

Fig 2: Half wave rectifier with filter capacitor (D-IN4006, RL = 1 kΩ, C = 1 µF).

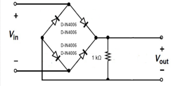
Fig 3: Full wave bridge rectifier without filter (4 × D-IN4006, RL = 1 kΩ).

Fig 4: Full wave bridge rectifier with filter capacitor (4 × D-IN4006, RL = 1 kΩ, C = 1 µF).

Fig 5: Clipper circuit (D-IN4006, R = 1 kΩ, DC reference voltage V). Output is clipped at V.
Procedure
- Simulate the half wave rectifier circuit (Fig 1) in LTspice using the 1N4007 diode model. Set input: SINE(0 5 1k), RL = 1 kΩ. Use .tran 10 directive. Observe input and output waveforms and calculate Vdc and ripple factor.
- Add a 1 µF filter capacitor (Fig 2 configuration) and re-run the simulation. Observe the smoothed output and calculate the new ripple factor.
- Simulate the full wave bridge rectifier (Fig 3) using four 1N4007 diodes. Set SINE(0 5 1k), RL = 1 kΩ, .tran 5ms. Record Vdc and ripple factor.
- Add the 1 µF filter capacitor to the full wave rectifier (Fig 4) and observe the smoothed output.
- Simulate the clipper circuit (Fig 5) with R = 1 kΩ, DC reference V = 3 V, and SINE(0 5 1k). Observe the clipped output.
- Assemble the half wave rectifier (without filter) on the breadboard. Set AC input: Vin = 10 Vpp, f = 1 kHz. Connect oscilloscope to observe both input and output simultaneously. Record Vm, Vdc, Vrms, ripple factor, and efficiency.
- Add the 1 µF filter capacitor across RL and repeat all measurements. Compare with the unfiltered case.
- Assemble the full wave bridge rectifier using four IN4006 diodes. Apply the same input and record all output parameters.
- Add the filter capacitor to the full wave rectifier and repeat measurements.
- Assemble the clipper circuit. Set the DC reference voltage to 3 V. Apply a sinusoidal input and observe the clipped output on the oscilloscope.
Simulation / Execution

LTspice simulation: Half wave rectifier without filter. Input SINE(0 5 1k), D1 = 1N4007, R1 = 1 kΩ, .tran 10. Green = input; blue = rectified output. Negative half-cycles are suppressed.

LTspice simulation: Half wave rectifier with filter (C1 = 1 µF). Input SINE(0 5 1k), D1 = 1N4007, R1 = 1 kΩ, .tran 10. Output is smoothed by the capacitor — ripple is significantly reduced.

LTspice simulation: Full wave bridge rectifier without filter. 4 × 1N4007, RL = 1 kΩ, .tran 5ms. Green = input; red = rectified output. Both half-cycles appear as positive pulses at the output.

LTspice simulation: Full wave bridge rectifier with filter (C1 = 1 µF). 4 × 1N4007, RL = 1 kΩ, .tran 5ms. Output is smoothed; ripple is reduced compared to the unfiltered full wave case.

LTspice simulation: Clipper circuit with R1 = 1 kΩ, D1 = 1N4007, DC reference DV2 = 3 V, SINE(0 5 1k), .tran 5ms. Green = input; blue = clipped output. Positive peaks are clipped at the 3 V reference level.
Observations
| Vin (Vpp) | Vm (Peak) | Vdc | Vrms | Ripple Factor (Theoretical) | Ripple Factor (Experimental) | Efficiency (Theoretical) | Efficiency (Experimental) |
|---|---|---|---|---|---|---|---|
| 10 | 4.4 | 0.96 | 1.6 | 1.21 | 1.33 | 40.52% | 36.11% |

Oscilloscope — HWR without filter: Vpp = 10.6 V (input), Peak = 4.49 V (output), Freq ≈ 994 Hz. Yellow = input sine wave; blue = rectified half-wave output. Negative half-cycle is removed.
| Vin (Vpp) | Vm (Peak) | Vdc | Vrms | Ripple Factor (Theoretical) | Ripple Factor (Experimental) |
|---|---|---|---|---|---|
| 10 | 4.4 | 1.8 | 0.667 | 0.288 | 0.37 |

Oscilloscope — HWR with filter: RMS = 600 mV, Peak-Peak = 2.20 V, Freq = 1 kHz. Yellow = input; blue = filtered rectified output. Output is smoothed with significantly reduced ripple compared to unfiltered case.
| Vin (Vpp) | Vm (Peak) | Vdc | Vrms | Ripple Factor (Theoretical) | Ripple Factor (Experimental) | Efficiency (Theoretical) | Efficiency (Experimental) |
|---|---|---|---|---|---|---|---|
| 10 | 5.04 | 1.6 | 1.84 | 0.482 | 0.567 | 81.2% | 75.67% |

Oscilloscope — FWR without filter: Amplitude = 4.60 V (output), Mean ≈ −14.5 mV. Blue/cyan = input sine wave; yellow/red = full-wave rectified output. Both half-cycles appear as positive pulses — negative half-cycle is inverted, not removed.
| Vin (Vpp) | Vm (Peak) | Vdc | Vrms | Ripple Factor (Theoretical) | Ripple Factor (Experimental) |
|---|---|---|---|---|---|
| 10 | 4.4 | 0.640 | 0.653 | 0.144 | 0.202 |

Oscilloscope — FWR with filter: Mean = −7.43 mV, Peak-Peak = 2.32 V, RMS = 673 mV. The output is smoothed; ripple is significantly reduced compared to the unfiltered full-wave case (experimental ripple factor: 0.202 vs 0.567).

Oscilloscope — Clipper circuit (DC reference = 3 V): Amplitude = 6.80 V (input), output clipped at ≈ 3 V reference level. The positive peaks above the reference are removed while the remainder of the waveform (below 3 V, including the full negative half-cycle) passes through undistorted.
Calculations
Results & Analysis
| Circuit | Ripple Factor (Theoretical) | Ripple Factor (Experimental) | Efficiency (Theoretical) | Efficiency (Experimental) |
|---|---|---|---|---|
| HWR without filter | 1.21 | 1.33 | 40.52% | 36.11% |
| HWR with filter | 0.288 | 0.37 | — | — |
| FWR without filter | 0.482 | 0.567 | 81.2% | 75.67% |
| FWR with filter | 0.144 | 0.202 | — | — |
- The half-wave rectifier removed the negative half-cycle of the input, producing a pulsating positive DC output with a high ripple factor of 1.33 (experimental).
- The addition of a filter capacitor significantly reduced the ripple factor — from 1.33 to 0.37 (HWR) and from 0.567 to 0.202 (FWR) — confirming effective smoothing by the capacitor.
- The full-wave bridge rectifier inverted the negative half-cycle, resulting in a lower ripple factor (0.567) and higher efficiency (75.67%) compared to the half-wave rectifier (36.11%).
- The clipper circuit successfully clipped the input waveform at the set DC reference of 3 V. The clipping level is adjustable by changing the DC reference voltage.
Conclusion
Post-Lab / Viva Voce
- Q: What is ripple factor and what does a lower value indicate?
A: Ripple factor (γ) is the ratio of the RMS value of the AC ripple component to the DC (average) value of the rectifier output: γ = Vrms,ac / Vdc = √[(Vrms/Vdc)² − 1]. A lower ripple factor indicates a smoother, more stable DC output. For an ideal DC source, γ = 0. The half-wave rectifier has γ ≈ 1.21 (high ripple), the full-wave rectifier has γ ≈ 0.48 (lower ripple), and both are further improved with filter capacitors. - Q: Why does the full-wave rectifier have higher efficiency than the half-wave rectifier?
A: The full-wave bridge rectifier utilises both half-cycles of the AC input by inverting the negative half-cycle using four diodes in a bridge configuration. Power is delivered to the load during the entire input cycle. The half-wave rectifier uses only one half-cycle and blocks the other, wasting half the available input power. The theoretical efficiencies are ≈81.2% (FWR) vs ≈40.6% (HWR), which were experimentally confirmed as 75.67% and 36.11% respectively. - Q: How does a filter capacitor reduce ripple in a rectifier circuit?
A: During the conducting half-cycle, the capacitor charges to the peak voltage Vm. During the non-conducting interval, the capacitor discharges slowly through RL, maintaining the output voltage. This fills in the gaps between voltage peaks, smoothing the DC output. The theoretical ripple with filter is: Vr ≈ 1/(2√3·f·C·RL) for HWR and 1/(4√3·f·C·RL) for FWR. In this experiment (f = 1 kHz, C = 1 µF, RL = 1 kΩ), this gives 0.288 (HWR) and 0.144 (FWR). - Q: What is a clipper circuit and how does it differ from a clamper circuit?
A: A clipper circuit removes the portion of the input waveform that exceeds a set reference voltage level, without affecting the rest of the signal. The output follows the input within the allowed range and is clipped at the reference level outside it. A clamper circuit, in contrast, shifts the entire DC level of the waveform up or down without changing its shape — it adds a DC offset so the signal peak or trough is clamped at a specific voltage. Clippers alter amplitude; clampers shift position. - Q: What is the effect of the diode forward voltage drop on the rectifier output?
A: A practical silicon diode has a forward voltage drop of ≈0.6–0.7 V. This reduces the effective peak output voltage by this amount per conducting diode. In a bridge rectifier, two diodes conduct simultaneously, so the output is reduced by ≈2 × 0.7 = 1.4 V from the peak input. This explains why measured Vdc and efficiency are lower than theoretical values calculated assuming ideal diodes. In this experiment, the effective Vm in the full-wave case (5.04 V) reflects this voltage reduction. - Q: What are the advantages of a bridge rectifier over a centre-tap full-wave rectifier?
A: The bridge rectifier does not require a centre-tapped transformer, reducing cost and complexity. The Peak Inverse Voltage (PIV) across each diode is only Vm (vs 2Vm for centre-tap), so lower-rated diodes can be used. The transformer utilisation factor is also better. The only drawback is the use of four diodes (vs two), causing double the forward voltage drop in the conduction path. - Q: What is Peak Inverse Voltage (PIV) and why is it important in rectifier diode selection?
A: PIV is the maximum reverse voltage a diode must withstand when it is not conducting. In a half-wave rectifier, PIV = Vm. In a bridge rectifier, PIV = Vm. In a centre-tap rectifier, PIV = 2Vm. The diode's reverse breakdown voltage rating must exceed the PIV — otherwise the diode will break down in reverse, destroying the circuit. PIV is therefore a critical specification when selecting diodes for any rectifier design.
References & Resources (Not Applicable)
This section is not required for this experiment.
Was this experiment helpful?
Your feedback helps us improve
Please Sign In to rate this experiment.